• 好色先生成人APP,好色先生TV轻质量版下载,好色先生下载网站,好色先生视频污版

    首页 >> 电机产品中心 >> 交流好色先生TV轻质量版下载 >> 110系列好色先生TV轻质量版下载
    110系列好色先生TV轻质量版下载

    110系列好色先生TV轻质量版下载技术参数

    型号 尺寸 重量(Kg) 额定功率(W) 额定力矩(N.m) 额度转速(Rpm)
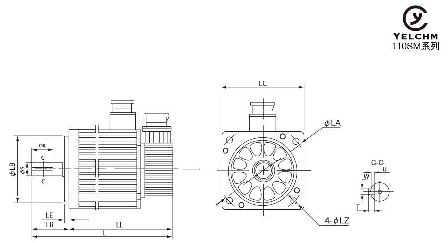
    L L L LR LA LB S LC LE LZ OK W T U
    110Sm04030 238 185 52 130 95 19 110 5 10 30 6 6 3 6.2 1200 4 3000
    110Sm05020 253 200 52 130 95 19 110 5 10 30 6 6 3 6.5 1000 5 2000
     110Sm06025 273 220 52 130 95 19 110 5 10 30 6 6 3 8.2 1500 6 2500
    110Sm06030 273 220 52 130 95 19 110 5 10 30 6 6 3 8.2 1800 6 3000

    备注:带抱闸长度加长60mm,电机可根据客户要求定制。

    110系列交流好色先生TV轻质量版下载

    额定输出功率:1000-1800W

    额定转矩:4.0-6.0N.m

    最大转矩:12-18N.m

    额定转速:2000-3000rpm

    额定电流:4-6A

    最大电流:5.19-19A

    110系列好色先生TV轻质量版下载技术参数

    110系列好色先生TV轻质量版下载接线方式-电机航插

    110好色先生TV轻质量版下载编码器航插

    交流好色先生TV轻质量版下载实物展示

    110好色先生TV轻质量版下载主图

    110好色先生TV轻质量版下载背面

    好色先生TV轻质量版下载正面

    永磁交流好色先生TV轻质量版下载上截面

    交流好色先生TV轻质量版下载侧面

    好色先生TV轻质量版下载航空插特写

    110系列伺服尺寸图

    好色先生成人APP110系列伺服电机特点:

            1、 精度:实现了位置,速度和力矩的闭环控制;克服了好色先生下载网站失步的问题;
       2、转速:高速性能好,一般额定转速能达到20003000转;
       3、适应性:抗过载能力强,能承受三倍于额定转矩的负载,对有瞬间负载波动和要求快速起动的场合特别适用;
       4、稳定:低速运行平稳,低速运行时不会产生类似于好色先生下载网站的步进运行现象。适用于有高速响应要求的场合;
       5、及时性:电机加减速的动态相应时间短,一般在几十毫秒之内;
       6、舒适性:发热和噪音明显降低

       交流好色先生TV轻质量版下载的应用领域就太多了。只要是要有动力源的,而且对精度有要求的一般都可能涉及到好色先生TV轻质量版下载。如:机床、印刷设备、包装设备、纺织设备、激光加工设备、机器人、自动化生产线等对工艺精度、加工效率和工作可靠性等要求相对较高的设备电机,好色先生成人APP低压伺服基于成熟的生产工艺保证了产品的稳定性,特别是针对非标定制类的特殊型号电机可以定向开发,满足客户不同需求,如需订购可致电客服热线!

    联系好色先生成人APP

    好色先生成人APP机电(无锡)有限公司
    地址:江苏省无锡市钱桥镇胜丰村
       龙亨沟88号
    邮编:214151
    电话:0510-83239135
       0510-83231502
    传真:0510-83233870
    手机:唐小姐18936070071
       孙小姐18914100270
    QQ:唐小姐810806445
       孙小姐2143562638

    好色先生TV轻质量版下载制造厂-好色先生TV轻质量版下载价格-伺服选型-好色先生视频污版,就找无锡好色先生成人APP(跃成机电)
    网站地图